
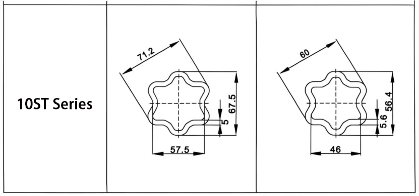
The 10ST Star Profile Tube is a specialized, high-precision component designed for heavy-duty PTO drive shafts. Leveraging the structural advantages of its 10-point star cross-section, it offers superior torque capacity, exceptional torsional rigidity, and high-precision gear engagement. Engineered for high-horsepower and heavy-duty applications, it is the premier choice for equipment requiring maximum power stability and transmission accuracy, such as large-scale agricultural machinery and heavy forestry equipment.

Vanguard Precision Components is a leading manufacturer of high-precision CNC machined parts and custom components, serving the global aerospace, medical device, robotics, and high-performance automotive industries. We specialize in transforming our clients' most complex designs into physical reality, adept at handling advanced materials including titanium alloys, superalloys, and engineering polymers. With our state-of-the-art 5-axis machining centers, rigorous AS9100 quality management system, and collaborative engineering support, Vanguard is more than a supplier; we are your strategic partner from prototype to production, ensuring every component achieves ultimate precision and performance.
Copyright © 2026 无锡法克斯管业有限公司 Ltd. All Rights Reserved. POWERED BY WEIMOBTRADE